户型二
开间12.4米,进深8.94米
占地面积99.2平方米
建筑面积204平方米

采用坡屋顶造型好看且有层次感,英红瓦搭配淡黄色外墙涂料和文化石面砖,干净清新的配色,契合了农村的秀美风光,整体感觉自然朴实,空间利用率高,明厨明卫,各使用空间都有较好的采光及通风。

↑一层平面图

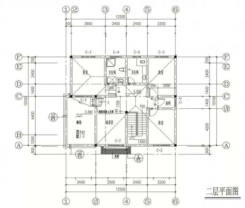
↑二层平面图
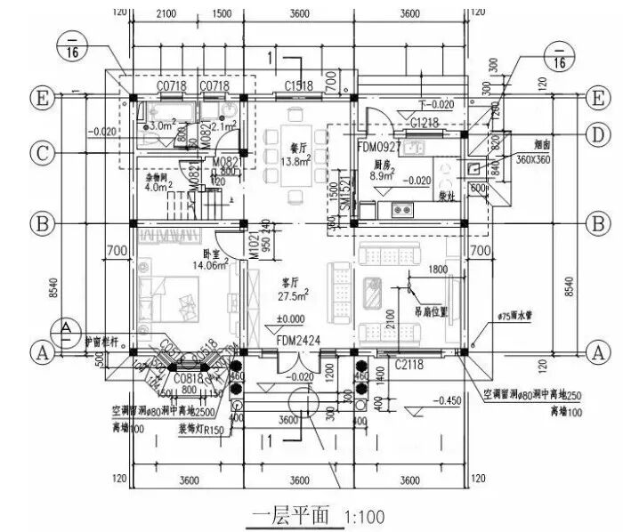
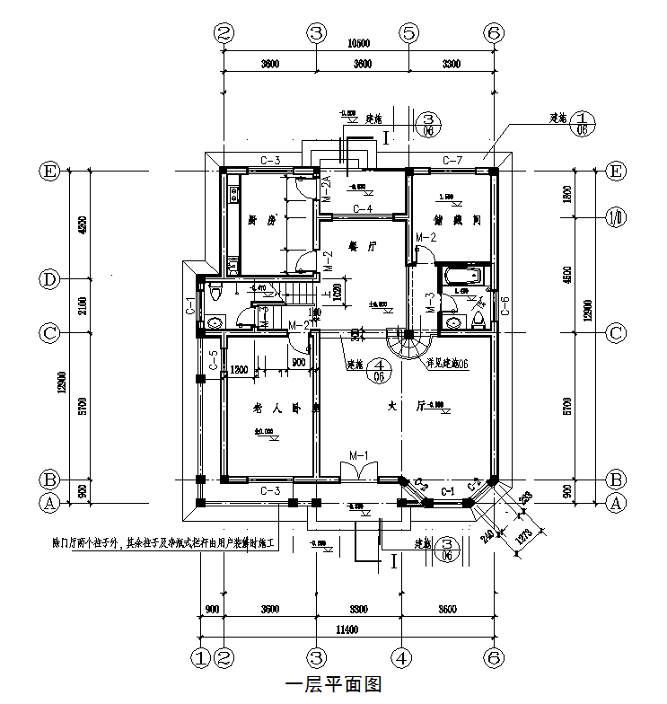
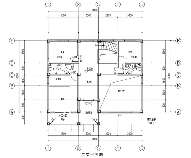
户型三
开间11.7米,进深10.1米
占地面积110平方米
建筑面积342.6平方米

整体外形方正,室内布局紧凑合理,除了正入口大门外,还设有后门及侧门空间,可按需开通,室内设置有阁楼,大大提高了房间的利用率。

↑一层平面图

↑二层平面图
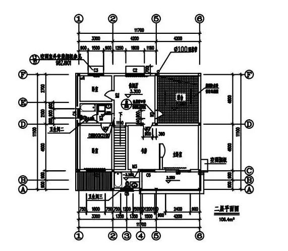
户型四
开间12.74米,进深10.34米
占地面积119平方米
建筑面积229.6平方米

外墙采用蓝瓦白墙黄砖,色彩明亮,车库可直接入户,使用更灵活方便,二楼的小露台,可观景可晾晒,实用又美观。

↑一层平面图

↑二层平面图
户型五
开间12米,进深11.1米
占地面积125.03平方米
建筑面积271.92平方米

整体装饰风格朴实,卫生间干湿分明,通风透气佳。另外,户型在长度上比较长,有很长的走廊,走动性更加自由和充分。楼层上还有小阁楼有很好的采景视角。

↑一层平面图

↑二层平面图
户型六
开间14米,进深10.6米
占地面积148.64平方米
建筑面积 252.94平方米
简欧风格,外观造型方正,米白色外墙,罗马柱和雕花装饰,精致耐看,落地窗面积大,室内通透、采光好,前后都有门,方便出入。

↑一层平面图

↑二层平面图









